• 91免费版黄片,91免费视频网址大全,91免费版网站,91免费视频安装

    上海91免费视频安装91免费版黄片有限公司
    聯係91免费版黄片 聯係91免费版黄片
    加入收藏 加入收藏
    設為首頁 設為首頁
    RSS RSS XML link
    網站首頁 首    頁 公司簡介 公司簡介 產品展示 產品展示 榮譽證書 榮譽證書 檢測設備 檢測設備 合作夥伴 合作夥伴 行業新聞 行業新聞 聯係91免费版黄片 聯係91免费版黄片
     
    產品目錄
    RXQ型線繞91免费版黄片 01、RXQ型線繞91免费版黄片
    RXG20型線繞波紋91免费版黄片 02、RXG20型線繞波紋91免费版黄片
    RXG20-F型負載91免费版黄片 03、RXG20-F型負載91免费版黄片
    RXLG鋁殼製動91免费版黄片 04、RXLG鋁殼製動91免费版黄片
    LX係列大電流負載91免费版黄片 05、LX係列大電流負載91免费版黄片
    ZG12阻尼電阻 06、ZG12阻尼電阻
    RX30大功率91免费版网站 07、RX30大功率91免费版网站
    BX6係列滑線電阻 08、BX6係列滑線電阻
    BX7係列滑線電阻 09、BX7係列滑線電阻
    BX8係列滑線電阻 10、BX8係列滑線電阻
    BC1型旋臂式變阻器 11、BC1型旋臂式變阻器
    BC1-W無底盤型旋臂式變阻器 12、BC1-W無底盤型旋臂式變阻器
    ZB1-2-3-4型板型91免费版黄片 13、ZB1-2-3-4型板型91免费版黄片
    ZG3管型電阻 14、ZG3管型電阻
    ZX1 、ZX15型91免费版黄片 15、ZX1 、ZX15型91免费版黄片
    ZX9 、ZX12型91免费版黄片 16、ZX9 、ZX12型91免费版黄片
    ZX18不鏽鋼91免费版黄片 17、ZX18不鏽鋼91免费版黄片
    KQF開啟式變頻製動91免费视频网址大全 18、KQF開啟式變頻製動91免费视频网址大全
    RXG-F變頻製動91免费视频网址大全/櫃 19、RXG-F變頻製動91免费视频网址大全/櫃
    BXT可調91免费视频网址大全/櫃 20、BXT可調91免费视频网址大全/櫃
    RX-F三相負載91免费视频网址大全/櫃 21、RX-F三相負載91免费视频网址大全/櫃
    WR-F直流負載91免费视频网址大全/櫃 22、WR-F直流負載91免费视频网址大全/櫃
    RYB儀表型可調91免费视频网址大全 23、RYB儀表型可調91免费视频网址大全
    PLC可編程控製負載箱/櫃 24、PLC可編程控製負載箱/櫃
    DS-F定時控製負載箱/櫃 25、DS-F定時控製負載箱/櫃
    ZB係列旋轉式變阻器 26、ZB係列旋轉式變阻器
    BLP1-10係列電動傳動勵磁變阻器 27、BLP1-10係列電動傳動勵磁變阻器
    BP-300/500型穩定91免费版黄片 28、BP-300/500型穩定91免费版黄片
    老化負載箱 29、老化負載箱
    RX21被柒線繞電阻 30、RX21被柒線繞電阻
    RX27線繞陶瓷絕緣91免费版黄片 31、RX27線繞陶瓷絕緣91免费版黄片
    ZG11被釉管型線繞電阻 32、ZG11被釉管型線繞電阻
     
    製動電阻和製動單元在水處理係統中的技術 當前位置:首頁 > 行業新聞 > 製動電阻和製動單元在水處理係統中的技術

    製動電阻和製動單元在水處理係統中的技術


    一、問題的提出

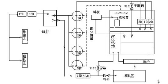
      原帶鋼水處理係統主要是由1D、2D、3D三台水泵電機中任意兩台從吸水井中抽水,通過磁分離器過濾進入1#水井,然後由15D或16D水泵電機從1#井中抽水供精軋機組冷卻用水,17D或18D水泵電機從1#水井中抽水向粗軋機組和卷取區域供水,水對設備冷卻後流入地溝,順地下管路自動流回沉澱池。正常生產時,通過調節V101、V103閥門調節水量,多餘的水流入沉澱池中,生產不連續時,通過V102閥門水流回池中。(如圖1所示)1D、2D、3D功率為135kW,15D、16D、17D、18D功率為260kW,起動方式為直接起動,這種大功率電機帶負荷起動,對電網電壓影響非常大,降低電機壽命,所以使電機不能頻繁起動,隻有在長時間停軋時才能停電機,致使在短時間內停軋隻能使水走旁路,造成資源浪費。因此帶鋼車間水處理係統必須進行改造。

    帶鋼水處理供水係統圖

    圖1:帶鋼水處理供水係統圖

    二、解決方案

    1、總體思路

      改造後本係統共包括S7-300型PLC一台,1D、2D、3D、15/16D、17/18D五套變頻調速裝置及每套變頻器配置的製動電阻、製動單元各一套。變頻器1D采用G9-160T3變頻器,2D、3D、15/16D和17/18D采用G9-280T3變頻器,其中1D變頻器配置製動電阻RBC-40KW-4Ω一台、製動單元QBU-4220一台,2D、3D、15/16D和17/18D變頻器配置製動電阻RBC-40KW-4Ω兩台、製動單元QBU-4220兩台。如圖2所示,該係統全部采用自動、手動與三段速度三種控製方式。

    圖2

    圖2

    2、製動電阻和製動單元在係統中的應用

    2.1 1D、2D、3D與15/16D、17/18D水泵電機的降速和停機是通過逐漸減小頻率來實現的,在頻率減小的瞬間,電機的同步轉速隨之下降,而由於機械慣性的原因,電機的轉子轉速未變。當同步轉速小於轉子轉速時,轉子電流的相位幾乎改變了180度,電機從電動狀態變為發電狀態;與此同時,電機軸上的轉矩變成了製動轉矩,使電機的轉速迅速下降,電機處於再生製動狀態。電機再生的電能經續流二極管全波整流後反饋到直流電路。由於直流電路的電能無法通過整流橋回饋到電網,僅靠變頻器本身的電容吸收,雖然其他部分能消耗電能,但電容仍有短時間的電荷堆積,形成“泵升電壓”,使直流電壓升高。過高的直流電壓將使各部分器件受到損害。因此,對於負載處於發電製動狀態中必須采取能耗製動來處理這部分再生能量。能耗製動采用的方法是在變頻器直流側加放電電阻單元組件,將再生電能消耗在功率電阻上來實現製動。這是一種處理再生能量的最直接的辦法,它是將再生能量通過專門的能耗製動電路消耗在電阻上,轉化為熱能,因此又被稱為“電阻製動”,它包括製動單元和製動電阻二部分。

    2.2 製動電阻、製動單元的功用:

    (1)保護變頻器不受再生電能的危害

      1D、2D、3D與15/16D、17/18D水泵電機在快速停車過程中,由於慣性作用,會產生大量的再生電能,如果不及時消耗掉這部分再生電能,大量的再生電能就會直接作用於變頻器的直流電路部分。輕者,變頻器會報故障,重者,則會損害變頻器。因此,應該使用製動電阻,保護變頻器不受電機再生電能的危害。

    (2)保證電電源網絡的平穩運行

      製動電阻將1D、2D、3D與15/16D、17/18D水泵電機快速製動過程中的再生電能直接轉化為熱能,這樣再生電能就不會反饋到電源電網絡中,不會造成電網電壓波動,從而起到了保證電源網絡的平穩運行的作用。

    三、結論

      帶鋼冷卻水閉環控製係統的開發應用提高了軋線供水質量,提高了軋輥冷卻了能力,減小了軋輥消耗;降低工人勞動強度。開發了PLC、變頻器、製動電阻、製動單元、自動配水等自動控製功能,使整個係統簡潔、可靠、易於維護,為帶鋼的穩產、高產打下了堅實的基礎。

    發布人:91免费版黄片廠家 來源:www.fsxfbz.com 時間:14-06-11
    本文鏈接地址:http://www.fsxfbz.com/news_detail.asp?id=150

    上一條: 該導體的電阻就是導體對電流的阻礙作用 下一條: 指針式萬用表檢測電位器和可調91免费版黄片
    上海91免费视频安装91免费版黄片有限公司
    COPYRIGHT 上海91免费视频安装91免费版黄片有限公司 www.fsxfbz.com 滬ICP備66850065號-4
    地址:上海市嘉定區曹安公路1855號 電話:021-62162390 62851275 62456828
    傳真:021-62577121 郵編:200062 E-mail:sales@shyongling.com 上海91免费视频安装91免费版黄片百度統計
    首頁 電阻新聞 熱門關鍵詞:鋁殼電阻,滑動變阻器,可調電阻,變頻器製動電阻,大功率電阻,線繞電阻,電阻櫃,網站地圖
    網站地圖